Rezumatul produsului
| Pompă solară seria RVE35 VFD | | |
| | INTRARE DC /AC | |
| | Design rafinat | |
| | MPPT | |
| Parametric | ||
| Model | RVE35-T3-0R7GB ~ RVE35-T3-4GB |
| Tensiune | Intrare 350VDC la 800/900VDC, intrare 3 PH 380VAC la 440VAC | |
| P nominal (kW) | 0,75/1,5/2,2/4 | |
| Curent nominal (A) | 2,5/3,7/5/10/13 | |
| MPPT Vmp/Voc | 540/660 | |
| Dimensiuni (mm) | 187*86*152 | |
Fundaluri ale aplicației
| În ultimii ani, odată cu creșterea severității globale a „problemei alimentare” și a „problemei energetice”, pompele solare de apă au fost treptat salutate ca produse eficiente de integrare industrială pentru a rezolva problema creșterii producției de teren efectiv cultivat și a înlocuirii energiei fosile cu energie curată. Ca urmare, a luat naștere un model economic în curs de dezvoltare în care industria solară s-a dezvoltat în combinație cu industrii tradiționale, cum ar fi conservarea apei în agricultură, controlul deșertului, utilizarea apei domestice și peisajul acvatic urban. |
Caracteristicile produsului
• Urmărirea punctului de putere maximă (MPPT) cu viteză de răspuns rapidă și funcționare stabilă
• Protecție împotriva funcționării uscate (sub sarcină).
• Protecție la curent maxim al motorului
• Protecția puterii de intrare
• Protecție cu frecvență joasă de oprire
• Curba de performanță PQ (putere/debit) permite calcularea debitului de ieșire din pompă
• Control digital pentru funcționarea complet automată, stocarea datelor și funcțiile de protecție
• Modul inteligent de putere (IPM) pentru circuitul principal
• Panou de operare cu afișaj LED și suport pentru telecomandă
• Este disponibilă intrarea sursei de alimentare în mod dublu AC și DC
• Senzor sondă de apă scăzută și funcție de control al nivelului apei
• Temperatura ambiantă pentru utilizare: -10 până la 50˚C.
| Design rafinat Suprafața de instalare redusă cu 50% Volumul redus cu 30% | |
| | Mașina complet automată de vopsea cu trei rezistențe este utilizată pentru a îngroșa stratul protector al plăcii de circuit, prevenind eficient deteriorarea plăcii de circuit cauzată de praful vântului, gazul corosiv și aerul umed. |
| | Adoptați echipamente de detectare complet automate pentru a testa diferiți indicatori electrici și funcții de protecție ale produselor sub sarcină nominală. |
| | Toate produsele finite sunt învechite sub sarcină timp de 48 de ore la o temperatură ridicată de 60 de grade, apoi toți indicatorii electrici sunt testați sub sarcină, pentru a reduce rata de defecțiune a produsului. |
Nomenclatura modelului
Tip general seria S2:
Intrare Vmp 310VDC sau 220VAC, ieșire 1/3 fazată 0-220VAC
| Model | Curent nominal ( A ) | Tensiune de ieșire ( VAC ) | Aplicabil pentru pompa de putere (kW). | Extern de dimensiunea unității Înălțime*L*D (mm) | MPPT Vmp/Voc |
| RVE35-S2-0R7G | 4 | 0-220 | 0.75 | 187*86*152 | 310/372 |
| RVE35-S2-1R5G | 7 | 0-220 | 1.5 | ||
| RVE35-S2-2R2G | 10 | 0-220 | 2.2 | ||
| RVE35-S2-3G | 13 | 0-220 | 3 | 265*105*164 | |
| RVE35-S2-4G | 16 | 0-220 | 4 |
Tip general seria T3:
Intrare Vmp540 la 650 VDC sau 380 la 460 VAC, ieșire trifazată 0-380/460 VAC
| Model | Curent nominal ( A ) | Tensiune de ieșire ( VAC ) | Aplicabil pentru pompa de putere (kW). | Extern de dimensiunea unității Înălțime*L*D (mm) | MPPT Vmp/Voc |
| RVE35-T3-0R7GB | 2,5/3,7 | 0-380/440 | 0.75 | 187*86*152 | 540/660 |
| RVE35-T3-1R5GB | 3,7/5 | 0-380/440 | 1.5 | ||
| RVE35-T3-2R2GB | 5/10 | 0-380/440 | 2.2 | ||
| RVE35-T3-4GB | 10/13 | 0-380/440 | 4.0 | ||
| RVE35-T3-5R5GB | 13/16 | 0-380/440 | 5.5 | 265*105*164 | |
| RVE35-T3-7R5GB (carcasă din plastic) | 16/25 | 0-380/440 | 7.5 | ||
| RVE35-T3-7R5GB (carcasa de fier) | 16/25 | 0-380/440 | 7.5 | 333*150*216 | |
| RVE35-T3-11GB | 25/32 | 0-380/440 | 11 | ||
| RVE35-T3-15GB | 32/38 | 0-380/440 | 15 | ||
| RVE35-T3-18GB | 38/45 | 0-380/440 | 18 | 383*180*228 | |
| RVE35-T3-22GB | 45/60 | 0-380/440 | 22 | ||
| RVE35-T3-30GB | 60/75 | 0-380/440 | 30 | 435*175*265 | |
| RVE35-T3-37GB | 75/90 | 0-380/440 | 37 | ||
| RVE35-T3-45G | 90/110 | 0-380/440 | 45 | 670*265*358 | |
| RVE35-T3-55G | 110/150 | 0-380/440 | 55 | ||
| RVE35-T3-75G | 150/170 | 0-380/440 | 75 | ||
| RVE35-T3-90G | 170/210 | 0-380/440 | 90 | 845*305*358 | |
| RVE35-T3-110G | 210A/250 | 0-380/440 | 110 | ||
| RVE35-T3-132G | 250A/300 | 0-380/440 | 132 | ||
| RVE35-T3-160G | 300A/340 | 0-380/440 | 160 | 788*500*360 | |
| RVE35-T3-185G | 340/380 | 0-380/440 | 185 | ||
| RVE35-T3-200G | 380/415 | 0-380/440 | 200 | 900*540*358 | |
| RVE35-T3-220G | 415/470 | 0-380/440 | 220 | ||
| RVE35-T3-250G | 470/520 | 0-380/440 | 250 | ||
| RVE35-T3-280G | 520/600 | 0-380/440 | 280 | 1035*620*400 | |
| RVE35-T3-315G | 600/680 | 0-380/440 | 315 | ||
| RVE35-T3-355G | 680/750 | 0-380/440 | 355 | 1290*780*410 | |
| RVE35-T3-400G | 750/810 | 0-380/440 | 400 |
Performanță excelentă
| | Control vectorial de înaltă performanță pentru a îmbunătăți acuratețea echipamentului |
| Frecvența maximă de ieșire sub control vectorial atinge 1500 Hz, ceea ce poate obține o ieșire de viteză de înaltă precizie în intervalul de reglare a vitezei magnetice slabe de 10 ori. | |
| | |
| | Acționare perfectă pentru motoarele sincrone |
| Forma de undă curentă a motorului sincron în modul de control vectorial în buclă deschisă la 500 Hz cu sarcină nominală de 100%. | |
| | |
| | Design fiabil de disipare a căldurii |
| Tehnologia independentă de proiectare a conductelor de aer dublă poate realiza utilizarea pompei solare cu o temperatură inelă de 50 ℃ fără reducerea capacității. |
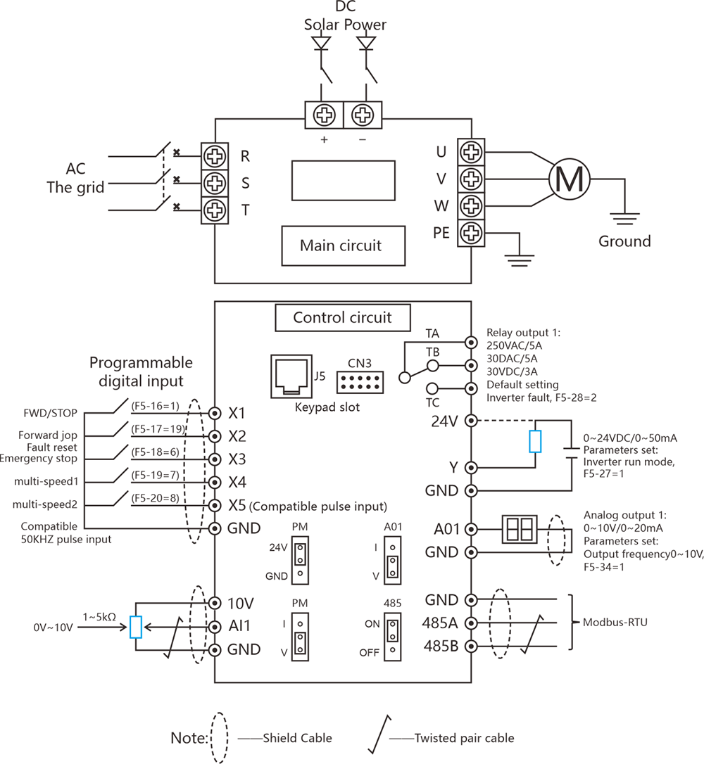
Schema de cablare
Pentru produsele RVE35 0.75kw-7.5kw, vă rugăm să rețineți următoarele:
1. Produsul nu conține terminale de intrare logică X6 și X7;
2. Produsul include doar 1 intrare analogică, 1 ieșire analogică și 1 ieșire releu










































